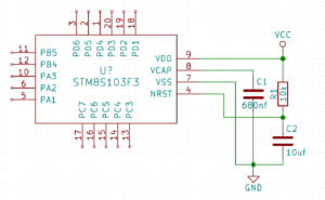
这里用的是F3系列,其实也应该适用于其它的系列? 需要注意的是,C1是必要的!!不然连不上下载器!!!这点非常重要。 分类: 电子制作 Tags: stm8 0 条评论 发表回复 取消回复您的邮箱地址不会被公开。 必填项已用 * 标注 名称 * 电子邮件 * 网站 在想些什么? Δ
0 条评论